Zum Hauptinhalt springen Zur Suche springen Zum Menü springen

Hauswasserwerke

Hauswasserwerke & Pumpenwerke: Automatische Wasserversorgung für Ihr Zuhause

Ein Hauswasserwerk ist das Herzstück einer zuverlässigen und unabhängigen Wasserversorgung in Haus und Garten. Ob Sie Wasser aus einem Brunnen oder einer Zisterne fördern, die Gartenbewässerung automatisieren oder den gesamten Haushalt mit Brauchwasser versorgen möchten – ein leistungsstarkes Pumpenwerk macht es möglich. Es sorgt für einen konstanten Druck in der Wasserleitung und versorgt alle Entnahmestellen genau dann, wenn Sie Wasser benötigen.

Was zeichnet ein hochwertiges Hauswasserwerk aus?

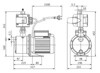
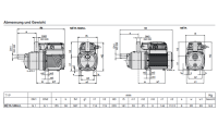
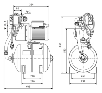
Ein gutes Hauswasserwerk besteht nicht nur aus einer Pumpe, sondern ist ein komplettes System aus Pumpe, Druckkessel, Manometer und Druckwächter. Entscheidend für Langlebigkeit und Effizienz sind:

  • Hohe Förderleistung: Für eine zuverlässige Versorgung mehrerer Entnahmestellen gleichzeitig.

  • Robustes Material: Gehäuse aus Messing oder Edelstahl für Korrosionsbeständigkeit. Wenn preiswert und trotzdem robust gewünscht, dann Gehäuse aus Gusseisen.

  • Energieeffizienz: Moderne Motoren senken die Betriebskosten.

  • Geringe Geräuschentwicklung: Besonders wichtig, wenn das Werk im Haus steht. Hier empfehlen wir die Aspri - Serie von Espa.

Führende Marken für Hauswasserwerke und Pumpenwerke 

Wir vertrauen auf renommierte Hersteller, die für Qualität, Innovation und Langlebigkeit stehen. Hier eine Übersicht der Top-Marken in unserem Sortiment:

1. Espa – Die Kraft aus Spanien

2. Wilo – Deutsche Ingenieurskunst

3. Pedrollo – Italienische Präzision

4. KSB – Kompetenz in Pumpen und Armaturen 

5. Calpeda – Die elegante Lösung

Fazit: Welches Hauswasserwerk ist das Richtige für Sie?

Ob Sie sich für ein Hauswasserwerk von Espa, Wilo, Pedrollo, KSB oder Calpeda entscheiden – jede dieser Top-Marken bietet spezifische Vorteile. Die Wahl des richtigen Modells hängt von Ihrer individuellen Situation ab:

  • Förderhöhe: Wie viele Meter muss das Wasser vom Brunnen/Speicher bis zur höchsten Entnahmestelle gepumpt werden?

  • Fördermenge: Wie viele Liter pro Minute werden an mehreren Entnahmestellen gleichzeitig benötigt?

  • Wasserquelle: Handelt es sich um sauberes Brunnenwasser oder Wasser mit leichten Verunreinigungen?

Kontaktieren Sie uns! Wir helfen Ihnen, dass perfekte Hauswasserwerk oder Pumpewerk für Ihre Bedürfnisse zu finden – ob von Wilo, Pedrollo oder einer anderen unserer Premium-Marken. Profitieren Sie von unserer Expertise und starten Sie in eine sorgenfreie und nachhaltige Wasserversorgung.



Artikel 1 - 20 von 22